МЕНЮ
Ваша корзина Товаров в корзине: 0
Сумма: 0 руб.
Задать вопрос
О печах Казачка Размеры, характеристики, схемы печей "Казачка"

Размеры, характеристики, схемы печей "Казачка"

Размеры, технические характеристики и схемы банной печи "Казачка".

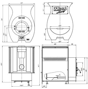
Размеры банной печи Казачка Классика 21

Размеры банной печи Казачка Классика 21

Размеры банной печи Казачка Классика 21 по Белому.
Технические характеристики печей "Казачка"

Технические характеристики печей "Казачка"

Технические характеристики модельного ряда банных печей "Казачка" — Размеры, масса и т.д.
Элементы печи "Казачка"

Элементы печи "Казачка"

Элементы банной печи "Казачка".
Схема монтажа печи "Казачка"

Схема монтажа печи "Казачка"

Схема монтажа банной печи "Казачка".